With the development of optical communication, optical fiber connectors are smaller in size, higher in density, easier to install, and have better performance. Among them, multi-core MPO high-density optical fiber connectors occupy an important position in optical communication due to their advantages such as large number of cores, small size, and high transmission rate. They can meet the high-density wiring solutions of data centers. Today we will introduce MPO optical fiber connectors.
MPO (Multi-fiber Push On) optical fiber connector is a multi-core multi-channel plug-in connector. The loose parts are composed of dust caps, outer frame sleeves, PINs, bushings, springs, stop rings, copper parts and boot.

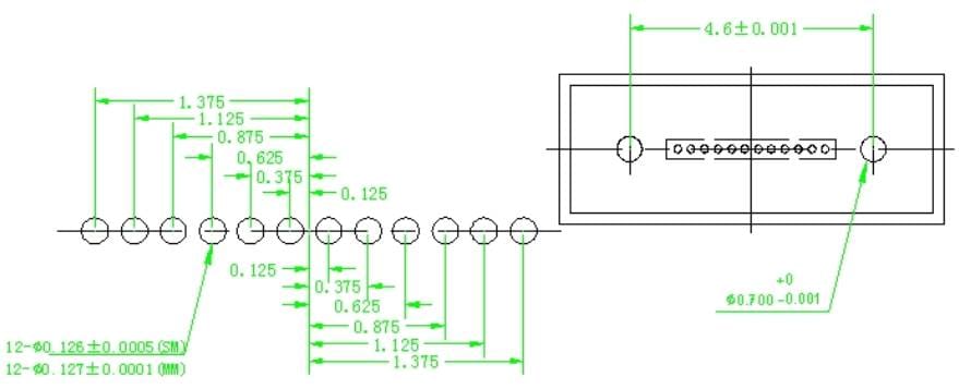
The core component of MPO connector – MT ferrule
The core component of MPO connector is MT ferrule, which is a rectangle with a diameter of 6.4mm*2.5mm. As the core component of MPO parallel connector, it is related to the performance of the entire connector. To meet the needs of high-speed and large-capacity optical communication systems, MT has 8 cores, 12 cores, 16 cores and 24 cores. 24 cores are 2 rows of 12 cores, and 32 cores are 2 rows of 16 cores. 8 cores generally use 12 core ferrules. For specific reasons, please refer to the article: Why are there 8 Fiber MPO Patch Cord and MPO 12 cable?

There are two guide holes with a diameter of 0.7mm and several fiber holes at both ends of the MT ferrule end face. The spacing between the guide holes is 4.6mm, and the spacing between the fiber holes is 0.25mm, as shown in the figure below.

Different from ordinary ceramic ferrules of 2.5mm or 1.25mm, each component of the MT ferrule has unique characteristics after molding. The production of the ferrule requires multiple processes, each of which is closely linked and requires different production processes. Once a problem occurs, there is a risk of scrapping the entire batch of products. The production technology and process of the enterprise directly determine the yield and quality of its products.
For various reasons, the current MPO mainly includes Japan’s SENKO Fan Port and the United States US Conec MTP. Their MT ferrules are rich in variety (12-24 cores single mode or multi-mode). In recent years, domestic companies have also gradually mastered higher preparation processes, and the MT ferrule categories are increasing year by year.

MT Ferrule PC&APC end face
Repeated plugging and unplugging of MPO connectors will cause damage to the end face near the MT ferrule, affecting its stability. In order to effectively improve performance, MT ferrules are mainly ground using two methods: PC and APC.
- MPO PC Connector (MPO Plane Connector): The ferrule end face is flat
- MPO APC Connector (MPO Angled Connector): The ferrule end face is beveled (8°angle)
MPO/MTP Truck Cable Fiber Polarity: A B C
A fiber link requires two optical fibers to complete full-duplex transmission, and it is crucial to ensure the polarity accuracy of both ends of the fiber link (one-to-one correspondence between the transmitter TX and the receiver RX). The MPO connector manages the polarity through the KEY (positioning key). The polarity of the MPO patch cord is mainly divided into three types: A, B, and C.

MTO/MTP Connector Boot
Type 1: Flat boot
The size and length of the plastic flat tail sleeve can be customized, suitable for ribbon optical cables. It can be a ribbon bare fiber or a 900um loose sheath, suitable for various application scenarios.

Type 2: Round boot
Plastic round boots come in a variety of lengths, apertures, sizes and bends, allowing customers to choose and install them according to their own needs.

MPO MTP Connector Housing
The shell color of the MPO/MTP connector is mainly used to distinguish the type of optical fiber used inside. If the customer does not specify, we generally follow this standard:
| Singlemode | Multimode | Elite loss | ||||
| UPC | APC | OM1 | OM2 | OM3 | OM4 | SM&MM |
| Blue | Green | Beige | Beige | Aqua | Violet/Rose red | Yellow |

MPO Male & Female Connection
When connecting the MPO fiber optic connector, a female connector with a guide hole and a male connector with a guide pin are required to be connected through an MPO adapter. The spring installed at the end of the ferrule will provide a thrust to the ferrule to lock it with the adapter. The guide pin of the ferrule will limit the relative position between the optical fibers to ensure the fiber docking order.

There are two types of MPO adapters for docking, A and B, which are mainly defined by the direction of the locating keys of the MPO connectors at both ends. Type A is key up to key down, and Type B is key up to key up.

Please note that this type is not the polarity A&B of the MPO jumper. For details, please refer to the article: what is the fiber polarity of MPO mtp truck cable?
The MPO fiber optic patch cord product series provided by Inda all use the Japanese SENKO brand MPO connectors, with rich varieties, fully meeting the various needs of data centers, guaranteed quality, and a more mature supply chain. At the same time, our company can also provide imported USCONEC MTP patch cords and their supporting products for high-end customers to choose from.
The better news is that the mass production of domestic MPO, production processes and technologies are very mature, and domestic products are gradually beginning to replace expensive MPO or MTP connectors, and have been verified by many customers. Welcome to inquire.